应用范围
适用于三相交流50Hz,额定工作电压0.4-10KV,额定功率为45~10000KW绕线式交流异步电动机的重载平滑软起动。
适用于三相交流50Hz,额定工作电压0.4-10KV,额定功
率为45~10000KW绕线式交流异步电动机的重载平滑软起动。
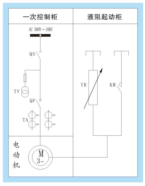
工作原理
在被控绕线式异步电动机的转子回路中串入三相星型连接的液体电阻,液阻随电动机的起动而自动投入,阻值在预定时间内无级减小,接近于零时自动切除,从而使电动机在接近额定电流和最大转矩的情况下无冲击平滑起动。
性能特点
1、起动电流小,平滑无冲击,保证电网可靠运行;
2、起动电流小于电动机额定电流的1.3倍;
3、可连续起动5~10次,特别适用于重载起动;
4、对电网要求不高,不会产生谐波污染;
5、起动平稳,有效保护电动机及传动机械;
6、结构简单,安装维护方便,可靠性高。
型号说明

使用环境
环境温度:最高温度40°C,最低温度0°C;
相对湿度:日平均不大于95%,月平均不大于90%;海拔高度:不超过1500m;地面倾斜度:不大于5度;安装地点无火灾、爆炸危险、化学腐蚀及剧烈震动。
技术参数

一次方案图

订货须知
订货时请提供以下资料:
1. 电机型号,额定功率,定子电压、电流,转子电压、电流;
2. 电机拖动的负载特性;
3. 若有特殊要求,请与我公司协商订货。